图知网
搜索
首页
热门推荐
图片分类
新手求教devo 7 rx701接收接sp racing f3 deluxe图解!
下载原图
相关图片
n3飞控电机接线示意图,蓝色箭头代表上层螺旋桨,红色箭头代表下层螺旋
【1-4路接收器接线图及注明】
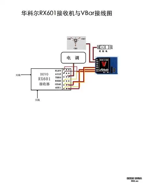
华科尔rx601接收机与vbbar接线指南
精灵2控带dr16接收机,无任何问题_接线图分享
江南奥拓收音机搜不到台
dji 大疆创新正式发布naza-m v2版多旋翼飞控系统
为你推荐
简约卡通纯色背景图片桌面壁纸高清大图预览1920x1080_卡通动漫下载_
我为我所有不合时宜的出现而道歉_男生头像_我要个性网
刘存惠教授国画作品
台北101大厦
赵雷成都精确简谱
杨士奇(政治人物)
7en火灾报警控制器/气体灭火控制器接线图[当宁消防网-消防产品之家
化工泵电机与变频器安装时距离规范你知道吗