图知网
搜索
首页
热门推荐
图片分类
原创德军强悍如斯的38t坦克服役一年击毁21000辆盟军坦克装甲车
下载原图
相关图片
【模型】如何制作三色迷彩?38t追猎者1/35模型制作
3g模型 利华/revell 03272 jagdpanzer 38t追猎者坦克歼击车 1/35
一辆正在装配阶段的"追猎者"车体,通过主炮开口可以观察到正面装甲
从正上方拍摄的"追猎者",可见车顶的两处出入舱口都呈开启状态.
追猎者货柜 jagdpanzer 38t cargo
【deu】战争雷霆 原来真正的虎式在这?(38t"追猎者"坦克歼击 车)试录
为你推荐
老凤凰珠宝999足金弯管黄金手镯女本命年编织红绳半镯手链3硬金情侣男
怀念科比!怀念曾经在球场上挥洒的青春
飘柔洗发水750ml促销 去屑止痒_飘柔洗发水750ml兰花去屑清洁滋润芦荟
组图:贺刚黑白系写真曝光 灵动热情活力四射
春秋三条杠长筒袜高筒袜 纯棉过膝长袜子 日系学院风成人学生袜女
图主持人陈辰个人资料及照片选集她曝称卷福私下很逗比
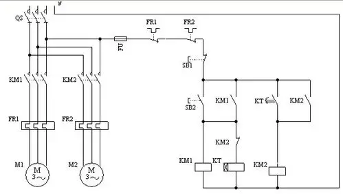
三相交流异步电动机变频器的工作原理是什么 53 2010-12-12 电机学
正确版本 ami短袖红桃a大爱心圆领半袖红心男女2021桃心小红心t恤