图知网
搜索
首页
热门推荐
图片分类
默纳克nice3000安全回路详解
下载原图
相关图片
这是默纳克不带有新国标功能的安全门锁回路接线图,接线方式各个公司
默纳克系统常见问题之六电梯不运行
详解新时达默纳克奥的斯巨人通力安全回路
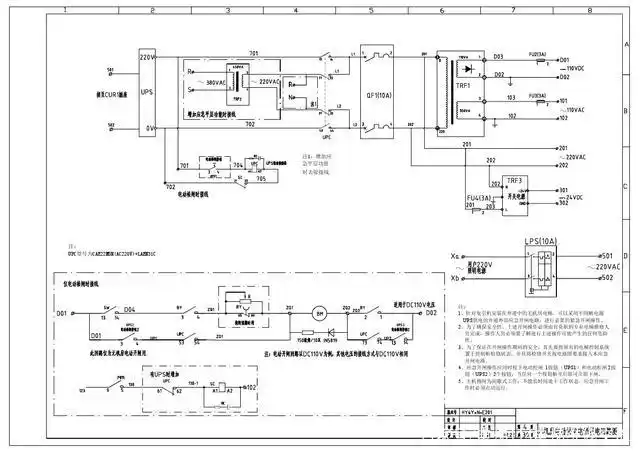
默纳克3000 电气原理图
详解新时达默纳克奥的斯巨人通力安全回路
默纳克nice3000故障现象,默纳克重复开关门
为你推荐
炼钢工人
手机随拍百花争艳图
平成系列假面骑士壁纸&头像,q版 喜欢的朋友可以找我拿图喔~ #pro
"团圆时光,幸福同框"—— 向南居业主【全家福】免费拍摄活动
王心凌再度翻红,演过的电视剧你都看过哪部?
2023年2期人民画报
果然好水果批发仓储店(利民道店)-"在这家水果超市买过很多次榴莲了!
一片梧桐叶仿佛看到了秋天也看到了冬天