图知网
搜索
首页
热门推荐
图片分类
卡通树,绿色卡通树矢量插画
下载原图
相关图片
一个卡通的树
卡通树设计图__风景漫画_动漫动画_设计图库_昵图网nipic.com
树png素材透明免抠图片-卡通手绘
可爱的树卡通,可爱的树卡通向量插图
简约扁平画风植树节类五瓣树mg动画
大树 卡通树 矢量树
为你推荐
动漫头像第119期仙女姐妹闺蜜头像永远永远一起玩耍
王霏霏个人资料身高
【整理】杨钰莹 春暖花开
黑白格子学院风女童背带裙连衣裙裁剪图
【光遇/白鸟】baby we can try.
reaction台腐着魔history第三集
庆祝建国70周年"美丽中国走起来"周澎全国巡演西安站启动
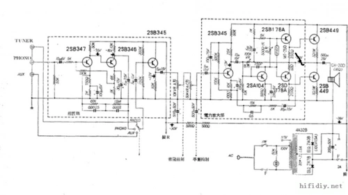
锗管输出功放电路