图知网
搜索
首页
热门推荐
图片分类
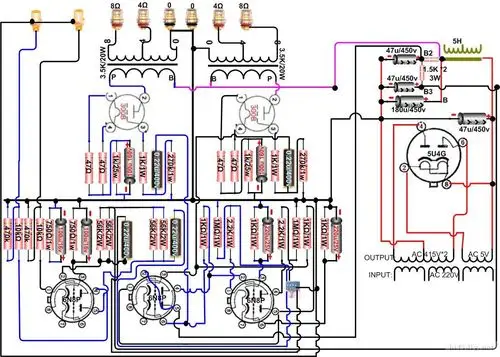
武汉的梁氏胆机我动了下电源胆味终于出来了
下载原图
相关图片
胆机电路图大全
el346p3kt88等单端胆机电路图
胆机电路图,胆机搭棚焊电路图,胆机制作.
初焊胆机各路高手掌掌眼模拟搭棚是否合理
6v6胆机电路图
宝尔真胆机电路2
为你推荐
《白日焰火》:血色染红皮袄,罪恶的玫瑰已然盛开
有种绝地逆袭叫肖战为拍戏瘦成巴掌脸近照脸还没脖子粗
超全开关·插座接线干货知识~ - 佛山市松芝科技有限公司
窗帘挂钩钩子配件辅料布带韩式四爪抓钩挂钩
内心孤独黑暗的图片
雾霾棕灰色|||丨谁染谁好看的夏季高级感发色|| - 抖音
简笔画 手绘 线稿 440587 竖版 竖屏
葡萄牙国徽