图知网
搜索
首页
热门推荐
图片分类
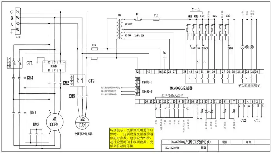
90kw螺杆压缩机电机接线图 数据 特别的星*角型接法在内部的接线图
下载原图
相关图片
应用案例 | 变频器在螺杆空压机上的应用方案_压力
二级压缩螺杆空压机维修配件——mam6090触摸屏一体式控制器
四方ts2600螺杆空压机单变频电控驱动系统在螺杆空压机中的应用
螺杆空压机电控图点赞 收藏 #空压机电控图 # - 抖音
比泽尔螺杆压缩机保护器se-e1压缩机保护模块part-no.347017-10
螺杆空压机电机怎么接线,由两个接触器下去六根线怎么
为你推荐
般若纹身图案#tattoo #手稿分享 - 抖音
电视剧沉默25集完整版央视网_百度视频搜索
牛简笔画 祝大家牛气冲天,牛牛牛,@,@,@,@ #简笔画
复古漫画风插画头像
你在干什么表情包 - 表情图
提花丝绸被子织锦软缎双人被贡缎结婚庆大红龙凤百子陪嫁妆喜被芯
新疆金丝玉随形手链 简约时尚首饰品 厂家直销批发一件代发
龙嫂tel13776339009 来自昆山刘海龙 - 微博