图知网
搜索
首页
热门推荐
图片分类
交通信号灯灯杆安装注意事项
下载原图
相关图片
交通信号灯作为城市交通管理的基础设施之一,其存在对提升城市交通
红绿灯简笔画红绿灯简笔画图片12张红绿灯卡通简笔画交通安全很重要简
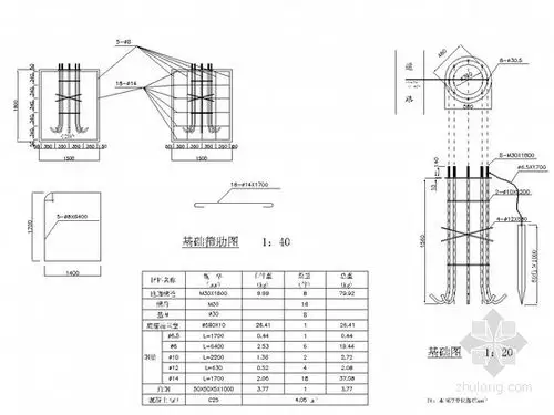
信号灯基础图
城区这四个路口增设交通信号灯看看都在哪
交通信号灯(交通信号灯诞生于1868年的哪个国家) 第2张
15信号灯基础图
为你推荐
黎姿
原创胯宽的身材穿衣要多变总有一套服装能显身材绽放自己的美
去年5.20雨后初晴先后来到龙虎山气势恢宏仙骨傲然道教正一观 - 抖音
《西游记》之黑熊精,为何偷了袈裟,还被观音菩萨提拔?
路易威登 louis vuitton lv 满钻 双花戒指 四叶草套装 戒指 小清新
很喜欢这个转角三角形楼梯的设计.
万代robot魂 097 ms-06 zaku 绿扎古ii 绿色扎古2 机动战士高达
江苏镇江一无头男尸身首分离50米 警方排除他杀