图知网
搜索
首页
热门推荐
图片分类
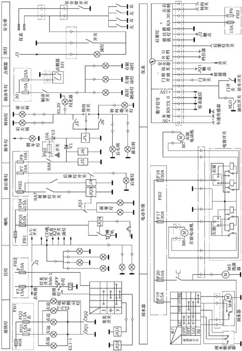
电动车无刷电机控制器图片
下载原图
相关图片
电动车电路图
6v儿童电动车电路图
电动车整车线路图
电动车控制器接线方法及接线图详解
电动车原理图
电动车线路图.doc
为你推荐
灵感 #笔记灵感 #西洋书法 #英文书法 #花体字 #手写花体英文
肖战终于又穿背带裤了, 肖战私服真好看,相中他的背带裤了.
孙红雷携女儿外出,女儿皮肤比爸还黑,脸颊肉嘟嘟可爱呆萌_照片_孙洪蕾
今敏《红辣椒》× mayla 联动耳坠&高跟鞋设计图公开,耳坠将于
versace collection范思哲男裤 男士时尚休闲长裤牛仔裤 92249
空空道人一句话的事儿空空道人新浪博客
五年后,揭秘玖月奇迹:王小玮的离开背后大有玄机!
小舞图片集合,哪个好看