图知网
搜索
首页
热门推荐
图片分类
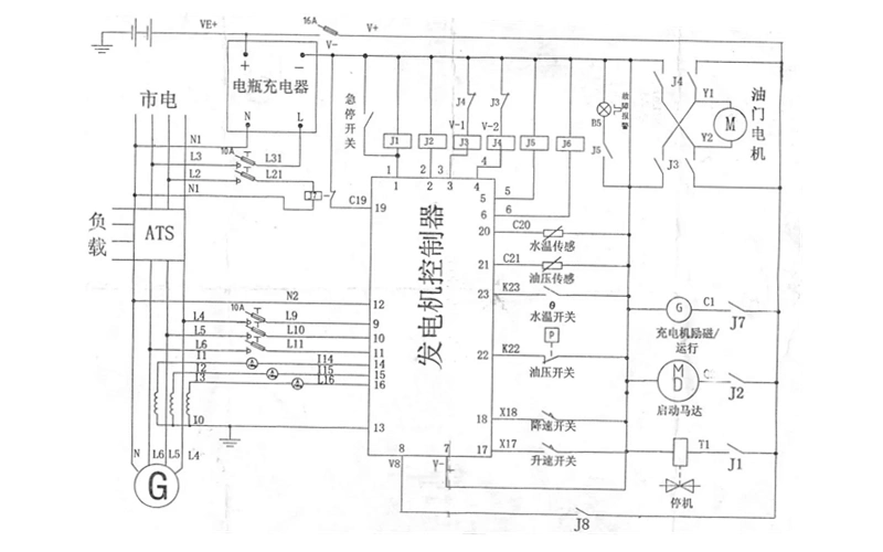
柴油发电机并联同步接线图.png
下载原图
相关图片
柴油发电机组的性能要求和一次接线图
汽车发电机内调器怎么接线
1200kw/1500kva重庆康明斯 大型柴油发电机组 中外合资 kta50-gs8
三相柴油发电机组可以当作单相发电机使用吗?
单相5000w汽油发电机的接线方法
请高手们,这个发电机怎么接线到蓄电池的
为你推荐
现代恒远跆拳道
莎丞shachen情趣内衣
女人,真的不一定要漂亮,但一定要有韵味,有韵味的女人最美丽!
粉色胡姬花免抠素材免费下载_觅元素51yuansu.com
儿童病房
儿童雪花片拼插梅花积木
越不过的是沧桑 猜不透的是人心 "很现实的一段话 #文字图片 - 抖音
一串红