图知网
搜索
首页
热门推荐
图片分类
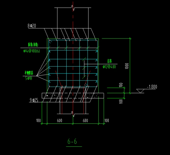
图中的箍筋6肢箍,是怎样布置的,是图中框的那样吗
下载原图
相关图片
请教一下,下图中的箍筋怎么画?
所谓单肢箍,就是只有一根箍筋,且没有形成闭环,一般情况下都是和其他
梁的6支箍中间小箍筋的间距是多少
6,柱核心区箍筋:加工焊接成如图所示钢筋笼,梁钢筋绑扎完成时一同下沉
如图的承台箍筋括号内为6代表什么意思
这种承台钢筋怎么布置,特别是6肢箍怎么处理?
为你推荐
爱你,是我一生最重要的决定#肖战 #向全世界安利肖战 #肖战 - 抖音
童星身世的蒋依依,94年的鞠婧祎,甜美和可爱,你喜欢哪款?
可爱壁纸
十二星座简笔画双鱼座
歌剧魅影/地缚少年花子君
智能电动汽车生产线.图/新华社
汕头薄膜连栋温室大棚建造技术
有一说一,幸运儿这金皮我第一眼看成了猎龙者……#第五人格 #第五