图知网
搜索
首页
热门推荐
图片分类
求助ncp1207准谐振ic问题-led/照明设计-世纪电源网社区
下载原图
相关图片
采用ncp1207设计的笔记本电源适配器如图所示.
大功率开关电源板图纸
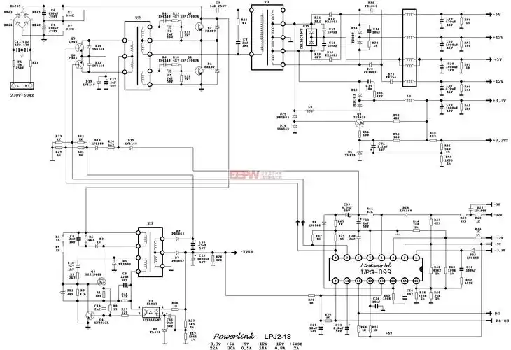
lpg899电脑开关电源电路图纸
200w atx开关电源电路图
ncp1207制作75w电源的设计(转载)
> 一种高效反激式开关电源的设计与性能测试 图3是利用ncp1207芯片
为你推荐
儿童菜单
宝宝如何量头围.头围参考值以及生长规矩 姐妹们,在网上买帽 - 抖音
60厘米超大号芭比娃娃套装女孩公主女童玩具单个60cm洋娃娃礼物布同款
吴孟达表情包图片_微信头像图片大全
油画棒 #油画棒风景画 #梵高 临摹梵高《星月夜》 - 抖音
商业运营经营管理公司组织架构图_第1页
奥迪a4l车身改色电光樱花粉rg瑞集改色膜福建龙岩加盟
山海螺四叶参羊乳奶参