图知网
搜索
首页
热门推荐
图片分类
磁吸轨道射灯无边框嵌入式线条灯无主灯 客厅 家用格栅灯洗墙射灯
下载原图
相关图片
智能无主灯批发磁吸灯轨道灯折叠格栅 - 抖音
ylp磁吸格栅灯10头 yeelight pro s21
轨道灯 客厅家用无主聚光灯嵌入式格栅灯 6w-113mm-磁吸格栅灯-4000k
雷l士同款磁吸轨道灯磁吸轨道灯嵌入式射灯欧司朗格栅灯无主灯客厅明
磁吸轨道灯cxl25预埋格栅泛光模块可调明装窄边线形灯 i型导通连接cxl
花琅20款磁吸轨道灯泛光灯格栅灯折叠格栅灯轨道灯 3000k 泛光灯300mm
为你推荐
《洛城生死恋》李秉宪 宋慧乔 池晟 e01-1
bvlgari宝格丽 serpenti系列玫瑰金蛇形满钻手镯 - 抖音
伊斯坦布尔|安塔利亚|棉花堡|伊兹密尔|安卡拉_网易订阅
扁担胡子手串
小学生必背古诗75首《望洞庭》刘禹锡为什么要把君山比作田螺?
画家孙其峰笔下的麻雀
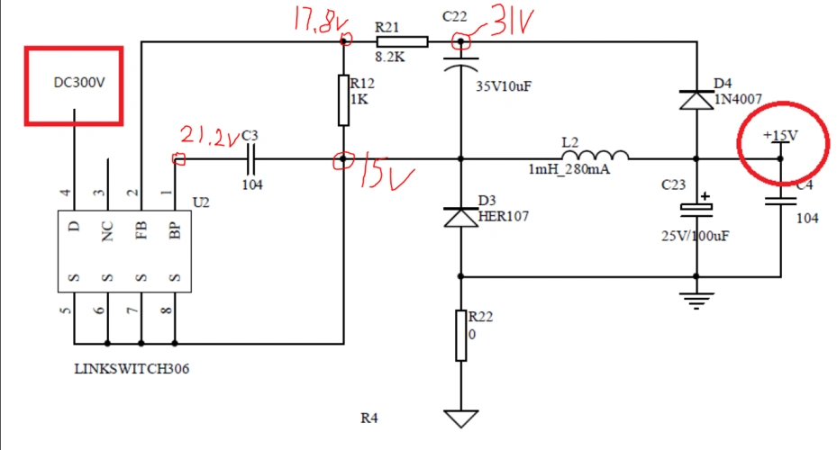
地电位,我不明白的是那个31v是如何得到的,刚学着用lnk306dn这款芯片
108遍经典拜日式引导词