图知网
搜索
首页
热门推荐
图片分类
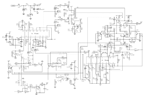
逆变器是把直流电能(电池,蓄电瓶)转变成交流电(一般为220v,50hz
下载原图
相关图片
逆变器电路图大全之一
逆变器电路图大全之二
逆变器电路15
逆变器电路
逆变器电路10
逆变器电路23
为你推荐
真皮包包女女士手提包结婚新娘包中年妈妈大气斜挎包 绿色【图片 价格
粗心的拼音(粗心的拼音组词怎么写)
傅程鹏现任妻子傅程鹏为二婚妻子庆生
宝马320改装之路 三年时间都在改装的路上
星巴克杯子2021情人节diesel迪赛联名马克保温牛仔随手杯
五年级作文童话寓言丑小鸭的故事400字
北京1998:成为奇葩之前的西直门立交桥长什么样?
府东公馆