图知网
搜索
首页
热门推荐
图片分类
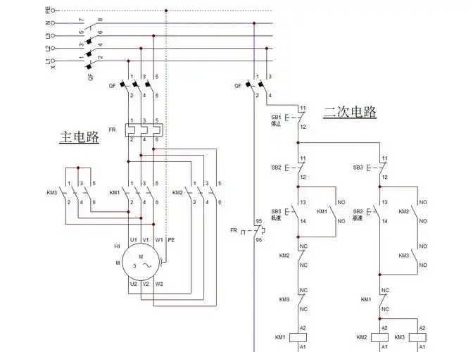
三相异步电动机的多种接线方法
下载原图
相关图片
电机启动的五种方式,你知道几种?🔧
接线与工作原理详解 双速风机是一种由两个不同档位的线圈组成的电机
电机星三角的启动方式
电工初学者:如何实现电动机正反转控制
实物接线图,仿真图) 控制要求:按下启动按钮sb2,1号电机运行20秒后
电机软启动器的五大应用场景与优势
为你推荐
牛仔帽渔夫帽图片
敌方偷袭我方偷袭表情包制作斗图表情
合恒香醍名邸联排别墅实景图
古镇美女如云[原创末修饰]
鸟叫声大全美洲隼的鸣叫声有种风声鹤唳的感觉
可外薄大码裤子长裤人造棉腿裤裤阔家居绵绸穿棉睡裤
[原文:聚酯纤维是最差的布料吗,.
中国少数民族哪个民族的服装最好看