图知网
搜索
首页
热门推荐
图片分类
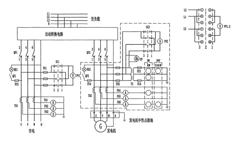
小型汽油发电机怎么接线
下载原图
相关图片
柴油发电机组外部接线,接地,电瓶接线图解大全
启动控制和励磁系统在柴油发电机组上的接线布置图
泛每三江消防,风机控制柜总线和多线怎么接
发电机并网接线图
农用三轮车小发电机的接线图
发电机接线图
为你推荐
心碎图片心碎绝望的伤感图片
网红脸女头高清精致漂亮的清秀女头网红脸图片
《白衣战士》易家墩小学 张意涵
国宝 金刚夜叉明王立像 平安时代承和6年(839)东寺藏
长发的女生都是很迷人的,自带女人魅力,这款侧分刘海的发型,视觉上就
孛儿只斤·阿里不哥的影视形象
胜灰专场_胜灰_素材_素材其他
午门