图知网
搜索
首页
热门推荐
图片分类
汽车发动机起动系统详解
下载原图
相关图片
雪佛兰科鲁兹起动机不转
混合动力车辆的发动机起动系统及控制该系统的方法
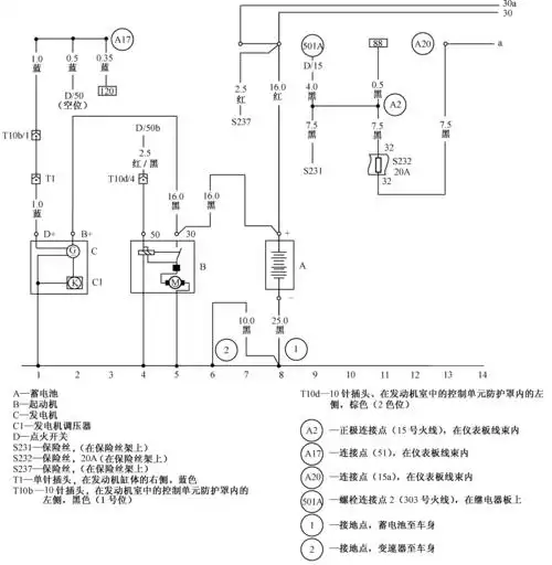
典型汽车起动系电路(帕萨特b5)
迈腾b7l轿车启动与控制电路原理如图1所示.
帕萨特系列轿车发动机启动系统故障分析与检修
丰田卡罗拉-启动系统电路图分析_搜狐汽车_搜狐网
为你推荐
简笔画:画各种小动物简笔画.第一步,用圆画出小动物们的轮廓 - 抖音
中国美术馆《民族大团结全国雕塑艺术作品展》(一) 展期:2019.3.2-3.
数学科技主题背景素材
的小城¥209品99王虹专辑中国虹虹¥559品991988香港宝丽金发行邝
高尔夫r20轮毂改古铜色
领导办公室挂什么字好 观山四字书法挂出领导高雅范
古代猛将打仗,谁能大战三百回合?一算才知道,谁都不行,就他行
白嫖ios30元绘画软件procreate pocket软件