图知网
搜索
首页
热门推荐
图片分类
使用quartusii90实现用2片38译码器拼接成416译码器
下载原图
相关图片
关于用multisim仿真时的问题
74hc138中文资料
线上实验五:2个2位二进制乘法器
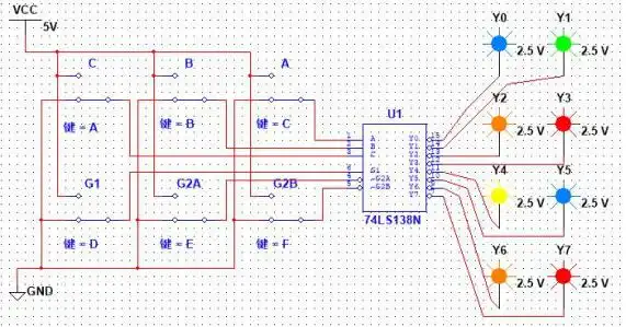
74ls138
数字电子技术 实验一
第十七讲译码器
为你推荐
到了巴黎时装周现场,baby身着一席大红色抹胸礼服面对镜头,妆容也是
齐肩短发怎么扎好看,短发怎么扎好看齐肩-图片大观-奇异网
张大仙虎牙首秀流量炸裂,峰值人气达3687万,已突破37
10w/20w/30w大功率功放模块d类数字功放板12v/24v供电dy-ap3001
372首中华要兴起 - 赞美诗歌谱
梦想的美篇
英歌脸谱面面观
丽水市城市总体规划简介