图知网
搜索
首页
热门推荐
图片分类
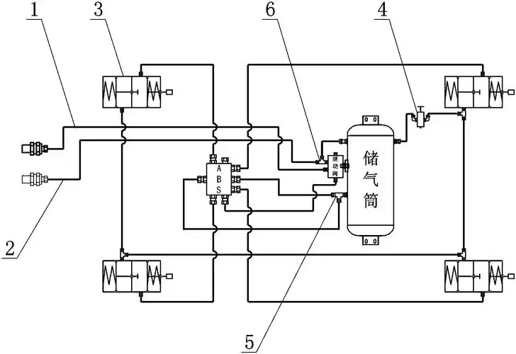
货车气路基本图解及工作原理
下载原图
相关图片
制动系统全车气路与各总成
轻卡气制动系统-图示介绍
用于半挂车的制动气路系统
详解车辆气动系统及维修
气制动产品功能与原理
六通道abs气路连接示意图
为你推荐
学员绘画作品《星空》(砂纸画)
adidas 阿迪达斯 regulate 阿里纳斯 低帮 运动鞋 场上款篮球鞋 春季
数字风水磁场是什么数字的能量从何处而来
华晨宝马宝马1系
室工1901《建筑装饰制图与识图》优秀作业展
vca 梵克雅宝 花仙子 一只 .
诗人杜甫手抄报
困