图知网
搜索
首页
热门推荐
图片分类
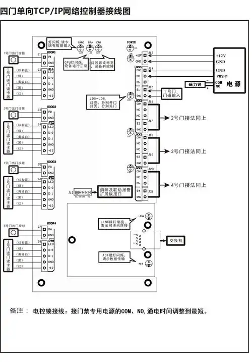
最详尽的各类门禁道闸及楼宇对讲接线图
下载原图
相关图片
门禁系统坏了,你会有哪些预案?
门禁系统图 :门禁 云考勤 车牌识别 访客 充电桩 指纹锁 - 抖音
门禁系统原理图3
高效运作提供有效的保障,因此集团板块指纹门禁系统的建设是十分
门禁系统】【大宗物料运输企业管控门禁系统】【校园电子门禁系统】
基于gsm网络的门禁系统及门禁方法
为你推荐
钧瓷镶银浮雕龙纹茶壶
无聊搬运个中国古代特种兵系列
由不同颜色的几何图形构成26个字母设计太原 |
超可爱好看的手绘卡通情头图片 小众不易撞的萌系情侣头像合集_情侣
高清晰粉红色浪漫的樱花
自动挡汽车档杆上的字母具体代表什么
20年保时捷帕拉梅拉 4万km 一手车_保时捷panamera社区_易车社区
作梁的内力图时规定,弯矩图画在梁受拉的一侧.