图知网
搜索
首页
热门推荐
图片分类
养球兰,4个"核心"缺一不可,叶片油绿闪光,花球无限多
下载原图
相关图片
球兰一年扦插苗开花小哥哥秘诀大公开
球兰花架怎样搭好看
球兰花架
山乌龟球兰玫瑰月季铁线莲花架爬藤架子植物攀爬造型小支架杆铁艺
五月 球兰
支架花架铁艺绣球支撑藤架爬藤夏绣球无尽球兰花架
为你推荐
火影忍者高清壁纸
隈研吾:虹口soho
红星歌(电子琴 曲谱)_简谱
12瓶大瓶甜奶原味含乳饮料整箱装光明甜牛奶儿童早餐奶整箱435ml
优衣库女装_uniqlo 优衣库 425468 女款上衣多少钱-什么值得买
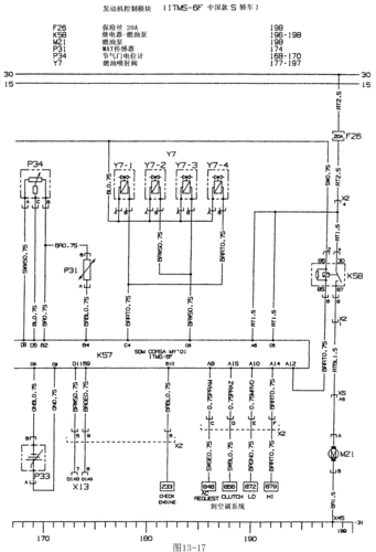
别克赛欧汽车维修基础电路图
带娃去内蒙古扎营看火山,两天一夜帮你玩好乌兰哈达火山公园!
悦达起亚 起亚kx5 2021款 1.6t 自动两驱豪华版