图知网
搜索
首页
热门推荐
图片分类
构造柱配筋
下载原图
相关图片
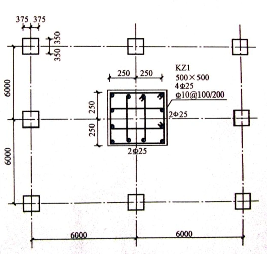
图3 框架柱配筋图
牛角柱怎么配筋
11g101-1之柱 钢筋讲解ppt
识读下面的柱表可知kz1在1947037470标高处柱段的配筋图为
现浇框架柱钢筋下料计算
钢筋工程量计算实例 板钢筋平法标注图解 钢筋平法配筋计算图解 平法
为你推荐
鞠婧祎素颜长啥样?看清她怼脸拍卸妆后的颜值:难怪叫四千年美女
田园生活#这就是我们农村,山沟沟里,没有大城市的喧嚣和繁华.
广场设计平面图-13个
香港紫荆花
谢尔比福特野马gt350r蓝色轿车前视图 壁纸 - 1280x800
同人绘画杨玉环情从何起方能一往而深
农场背景卡通
伸缩型5米5节不锈钢鸟网杆画眉鸟杆抄网杆抄鱼杆户外用品网杆包邮