图知网
搜索
首页
热门推荐
图片分类
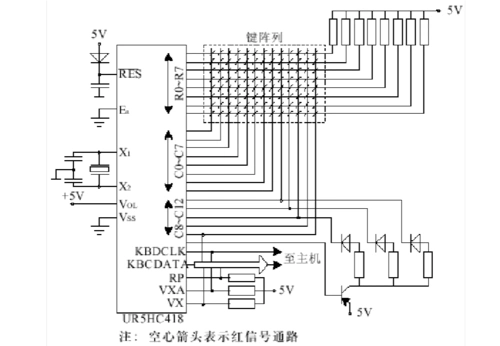
矩阵键盘电路图.
下载原图
相关图片
图1键盘电路原理图at89c52微控制器具有如下特点[1]: (1)具有8k字节
扫描式键盘录入电路
很牛的键盘电路
普通键盘电路原理图
[代码分享]矩阵键盘(msp430f5529lp)
续电路原理图学习晶振电路独立按键电路
为你推荐
初恋脸王俊凯21岁发际线堪忧 身体频出状况令粉丝心疼|王俊凯|发际线
古城历经千年,从未内涝,原因何在?
游客的圣殿,香客的天堂一一南岳大庙
侠盗飞车4自由城之章有没有四季?还有跳伞包在哪?怎样得到?
醒图如何修复老照片清晰度醒图修复模糊图片的方法
系统交互图
昆明南屏街的街道风景
红色套装门设计_土巴兔装修效果图