图知网
搜索
首页
热门推荐
图片分类
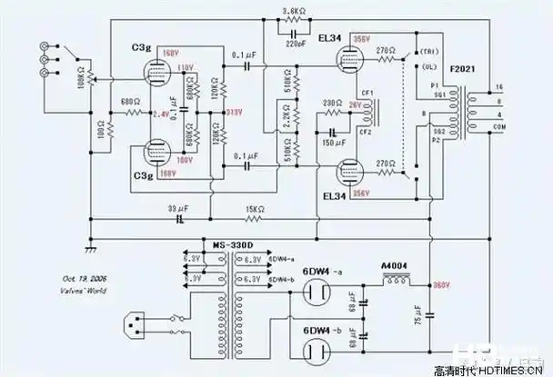
为本坛3141 朋友设计的 100w 高保真全平衡电子管功放(兼谈机器装调)
下载原图
相关图片
电子管功放原理图再来10张.
新型五极功率电子管otl功放电路
译文:6n1 kt88电子管单端胆机功放原理图
成品功放电路威廉逊电子管放大器副本
k6型电子管功放电路简介
电子管典型半调试自偏压方式功放级电路
为你推荐
第10期壁纸分享 ‖ ins风壁纸锁屏#9张
稀世珍品犀角杯
瓷砖楼梯铺好了_装修_瓷砖_家居家装_装修
花影摇拽日本水彩画女神永山裕子花卉写生作品欣赏
平面广告 海报模版 三菱全系汽车海报图片(6000x3372(dpi:150))psd
王天泽
正品美职联迈阿密国际10号梅西球衣球员版2425主场球迷版苏亚雷斯
出门散心的唯美句子