图知网
搜索
首页
热门推荐
图片分类
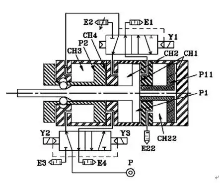
双作用气缸控制气路
下载原图
相关图片
双行程气缸怎么接电磁阀,双行程气缸工作控制原理图-神威气动官网
这是个双行程气缸,但我有些看不懂他的工作原理,谁能帮我结合图片具体
气路连接图系列一jrd行程可调增压气缸安装原理图
一种双气缸顺序控制系统,其特征是:所述控制系统利用气动元件和信号
双作用气缸回路 - dx - 中国气动资料库
无杆气缸.两个磁性开关(可调行程)怎么实现气缸来回连续工作.
为你推荐
今天是男人节,打开看看,送给天下辛苦的男人,祝他幸福平安!
电脑壁纸 色彩 色彩背景 干净简单的纯色渐变简约色彩背景
手相,事业线-「男生手相分析事业线」男人手相事业线的图解 - 手相
圆润字体设计作品汇总
小情侣手牵手奔跑的背影,女生穿着清凉,男生休闲时尚,夜晚在草 - 抖音
鸟们诧异与羡幕的目光:却牵动着无数同类它们相拥而翔的舞姿然而独
今天,我们将带你领略一组令人难以置信的照片,它们捕捉到了独特而震撼
塔米为江西南昌天同医养院提供智能机器人解决方案