图知网
搜索
首页
热门推荐
图片分类
娘化奥特曼们(2)
下载原图
相关图片
精品高清奥特曼娘化图第八期 你们的点赞和收藏就是我这个系列更下去
娘化奥特曼们(2)
精品高清奥特曼娘化图第八期 你们的点赞和收藏就是我这个系列更下去
精品奥特曼娘化图第二弹
奥特曼娘化壁纸 |银河,艾克斯,赛罗,欧布_图片_艾克斯_壁纸
奥特曼壁纸 | 第25弹:奥特曼娘化系列(2)
为你推荐
这张全身照我们看到了杨紫的另一面,她低头含笑的样子就像一个初次
贰麻酒馆加盟热线是多少总部联系方式
【战锤40k】从典范军团到黑暗之奴——帝皇之子战术风格的演变
豪华中式风格四合院装修效果图大全赏析2020
9,棕竹
由金智秀(jisoo),金智妮(jennie),朴彩英(ros07),lisa4名成员组成
俄罗斯老车照片100张
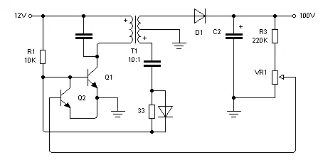
有的说用倍压 麻烦给个电路!谢谢!