图知网
搜索
首页
热门推荐
图片分类
贵阳未上牌奥迪奥迪q5奥迪q5进口20t墨版黑色自动档
下载原图
相关图片
奥迪-q5l全车贴膜lbfilm改色膜陶瓷黑
上汽奥迪 奥迪q5 e-tron 2023款 40 e-tron 星耀型 黑武士版
24款奥迪q5l选车解析
奥迪q5 / 哑光黑.muyue沐月出品: 改色:vf青蛙 - 抖音
新款q5l动感实车比图片好看_奥迪q5l车友圈_懂车帝
奥迪q5提车作业q5l时尚黑初用感受
为你推荐
金丝眼镜链子太阳镜眼镜链时尚防滑眼镜绳网红老花眼镜链白塔简约款一
守望先锋女英雄同人画妹子身材火辣性感魅惑
色彩装饰画学生作品01
情深意长简谱(歌词)-邓玉华演唱-电视迷曲谱1
葬爱家族棉花糖 你是au哪个区?
白背叶(白背叶怎么吃)
天王表机械表男表官方正品钢带商务休闲男士手表小表盘男表5934
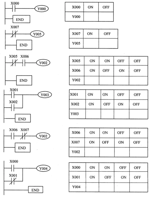
(a) 梯形图