图知网
搜索
首页
热门推荐
图片分类
西双版纳传统傣装
下载原图
相关图片
版纳傣族民族服饰大家就将就看看吧.
傣王妃服饰傣族传统服装女春夏薄款透气长裙纯色日常工作休闲斜襟
西双版纳傣泐传统装章芭傣服饰文化传播
西双版纳傣族服饰春季传统手工精品绣女士上衣
泰国王妃服装服饰泰国传统服装女套装傣族节盛装迎宾服工作服影楼服
服饰傣族傣泐传统服女套装泼水节服节日服走秀微弹筒裙修身
为你推荐
青花瓷图案青花瓷花纹模板下载-编号1229239-众图网
把这6个星二代放一起看,颜值差距一目了然|张庭|朱茵|闫妮|孙莉|小
情侣头像么么哒
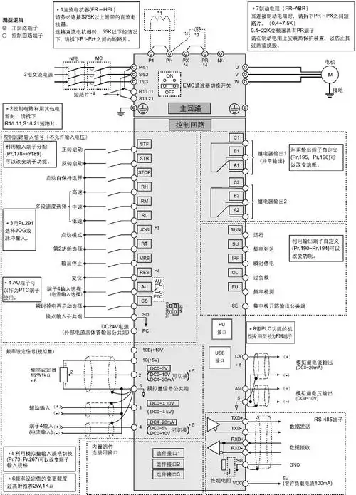
编码器与三菱变频器接线图
张靓颖 高跟美腿合集
欧美ins风彩色荧光色撞色夏日美甲超酷波浪
漂亮边框简笔画漂亮边框简笔画大全
虹桥街道高清地形地图