图知网
搜索
首页
热门推荐
图片分类
道教诸神圣诞
下载原图
相关图片
三清清道神像新款太上老君元始灵宝道德天尊摆件
1367太上老君像镜心绢本
汉白玉《太上老君神像》三清道祖道德天尊灵宝仙家用供奉佛像摆件 19
太上老君|随世立教事竟则隐,为有道之乡宣说解谢之门
新品黄衣太上老君神像 彩绘道德天尊 太上老祖上帝摆件树脂佛像
老君戴玉堂陶瓷摆件太上神像太清道德天尊中式摆件
为你推荐
贵毕公路"换新颜"
城中之城首播即爆于和伟再次押中宝这是他的新代表作吗
六翮飘飖私自怜,一离京洛十馀年《别董大二首》意思|赏析 千里黄云
威海探店藏在利群的音乐酒吧蓝贝壳
原创说说地安门周围包括鼓楼钟楼南锣鼓巷
我那智慧的同学画的智慧的quackity
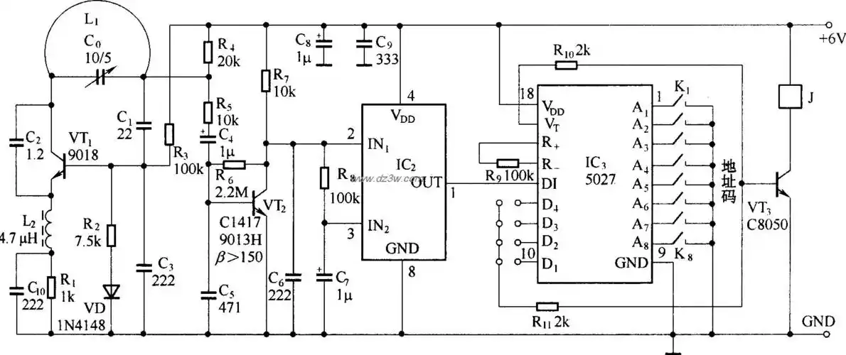
超小型400米无线遥控器电-汽车电子电路图-电子产品世界
suntek蒙面盖头防风沙舞蹈大方巾飘逸轻薄防尘透明纱巾海底绒花道具