图知网
搜索
首页
热门推荐
图片分类
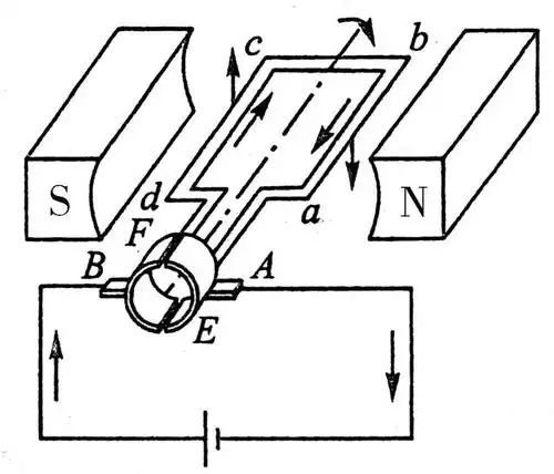
1用图所示的电路研究磁场对通电导线的作用时下列做法
下载原图
相关图片
直流电机工作原理线路图
1 永磁无刷直流电机
无刷直流电机的工作原理
直流电动机正反转
直流电动机正反转接线图
直流电机工作原理 图解
为你推荐
烟礼盒包装盒高档红色放一条香的适合中华通用散包整条的空盒子送
南下的简谱_儿歌简谱
怎么老是不中
热烈爆米花玉米粒三合一球形蝶形微波炉爆裂玉米套装专用奶油焦糖
屠洪刚演唱十首经典歌曲,帝王音一出激情澎湃,震撼人心!
超燃!突破实战界限 锻造反恐精英
捷达vs7性价比如何?值得买吗?
壁纸:八意永琳(东方project)