图知网
搜索
首页
热门推荐
图片分类
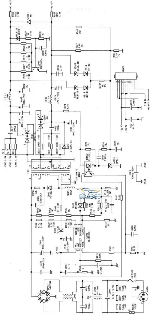
创维液晶彩电168 p-p40tts-00开关电源电路原理图1
下载原图
相关图片
创维50x6l5r035电源板电路图
该机主电源块为f9222l,副电源块为ncp1014,pfc块为5500a,相关电路如图
创联电源5vled开关电源
【图】创维彩电2y39机芯开关电源电路原理图其它电路
创维5d20的机芯电源板电路图
联想l197型液晶彩显电源电路分析
为你推荐
昆明花鸟市场
小白兔头像分享 生肖兔子 卡通兔子 苗小仙原创设计 已有版权 商用
学技能还能拿补贴育婴员培训班开班了
显瘦性感超高跟坡跟情趣15cm/16厘米超高跟鞋女凉鞋夜店模特优惠券
爽歪歪
武汉
德国mbl321 书架箱_音箱系列_华韵音响 - 二手发烧音响 - 进口名牌
革命战争年代,老军人出生入死,保家卫国,非常值得我们尊重,关爱老兵是