图知网
搜索
首页
热门推荐
图片分类
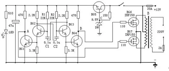
为什么用这个电路图稳压之后得不到±12v的电压?
下载原图
相关图片
12v稳压电源设计实验报告
12v电源电路图含参数ppt
一款变压器可选有常用双12v输出的晶体管逆变器电路图
12v输出的直流稳压电源
12v可控硅蓄电池充电器电路图
12v低音炮电路图
为你推荐
蔡徐坤背影安全感
韩服牛图片
【"sxs"绘画过程】病娇?_哔哩哔哩_bilibili
两耳不闻窗外事一心只想去赚钱
78尤克里里常用和弦详细按法及演示二
999 板蓝根颗粒10g*20袋清热凉血利咽用于肺胃热盛所致的 10g*20袋
博客搜索_新浪搜索_新浪网
挖机微信头像挖掘机租赁信姓氏头像暴富好运头像用自己豪车做头像