图知网
搜索
首页
热门推荐
图片分类
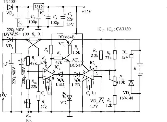
依莱达电动自行车充电器电路图
下载原图
相关图片
汽车电池充电器电路图
电动车充电器电路图
小飞哥充电器电路图.jpg
收集电动车充电器电路图30张,以备不时之需
动车充电器电路图大全
提供36伏输出.电动车充电器电路图二:电动车充电器电路图三
为你推荐
十本超强防御护资日常 10本 人气:200 打开链接 复制链接 有错
郑素敏李民基maire claire花絮
可爱超级少女心的头像软妹真人42张_女生头像_头像屋
青年/青叔/温青/男头/男生头像
九宫格数独40题附答案解析
河南旅游地图(河南旅游地图景点大全 一览表)-友友
男生腿好看是一种怎样的体验
移动便携式小吊机200kg手摇升降机吊机家用提升机手推小型吊运机