图知网
搜索
首页
热门推荐
图片分类
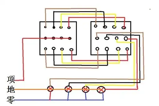
四联开关接线问题
下载原图
相关图片
四联开关接线,中间这个双刀双掷理论上可以接n个,组成n个开关控制一个
四联双控变单控接线图
请问这个四开开关怎么连接?
四开双控开关接线方法是什么 1个回答
正泰四联双控开关接线图这个怎么接,是不是l1a,l1b,l1c,l1d接火线进
单控四联开关接线图
为你推荐
同款夏季超薄款运动裤子男士休闲裤宽松透气韩版潮流夏装夏天冰丝夏裤
[广东]深圳某实验学校设计方案文本(44页)
冠军之路丨10岁到27岁 坚若磐石的樊振东
卫星影像地图更新河南省2021卫星图郑州市2021卫星图
"国家一级演员"侯勇:一婚娶70后,二婚娶80后,三婚娶90后娇妻
金河田预见n1电脑机箱台式机 itx mini小机箱htpc水冷大电源机箱
0元拍第五套人民币1999年一百元标准十连号上
走进深邃的大理石长廊,有木有联想起斯坦福西班牙式的艺术廊亭?