图知网
搜索
首页
热门推荐
图片分类
"怎么样,我很厉害吧" 当出现了这个手势 我就知道,熊猫头痛
下载原图
相关图片
动漫gif纯文字污金馆长熊猫头蘑菇头暴走漫画魔性qq聊天】の表情包
动漫gif纯文字污金馆长熊猫头蘑菇头暴走漫画魔性qq聊天】の表情包
熊猫头起包痛到流泪_包痛_头起_熊猫_流泪表情
熊猫头起包痛到流泪包痛头起熊猫流泪表情
我女神奶真大(没有说别人不大的意思) - 一组犀利的熊猫头斗图表情_斗
生活好难熊猫头流泪表情包好难熊猫流泪生活表情
为你推荐
贾乃亮面相好不好 贾乃亮正脸
抑郁症为什么会想死抑郁症想死是什么程度
油井包装箱对油水易损件经销商的建议综上4点所述,机油易损件经销商要
国产版"悍马h1"来啦,6.5t柴油动力 四驱,新款东风猛士真霸气
卡通苹果
画大都市场景.
猫咪表情包 动图
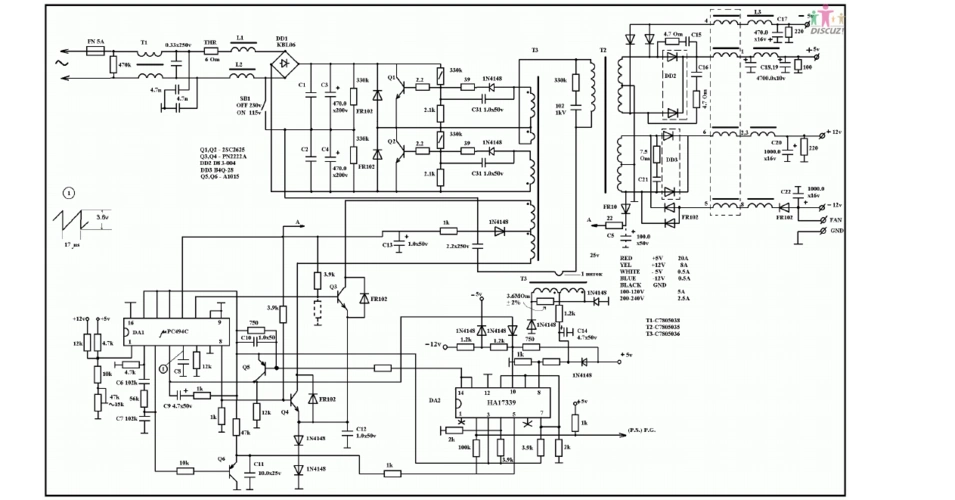
电脑开关电源原理图