图知网
搜索
首页
热门推荐
图片分类
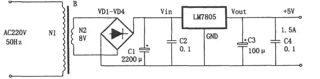
lm7805稳压块手册-常用电路
下载原图
相关图片
基于lm7805稳压电源电路原理图及pcb设计
lm780578xx稳压模块原理图78097812同
lm78055v稳压电源电路图
图3.1 lm7805稳压电路图
lm7805应用电路图
双对称稳压电源电路
为你推荐
张铭恩 张副官 张日山 老九门
肖战&王一博
何超莲身着低领裙性感身材爱心耳环甜度爆表
15a $12k paris salzburg lesage fantasy tweed jacket & skirt suit
希尔顿大小姐驾到卡戴珊姐妹花都得靠边站
火影忍者表情包三
成吉思汗铁木真有四个嫡子晚年为何以三儿子窝阔台为储君
等了30集,《长安十二时辰》仙灯终上线,原作者自曝被导演骂很久