图知网
搜索
首页
热门推荐
图片分类
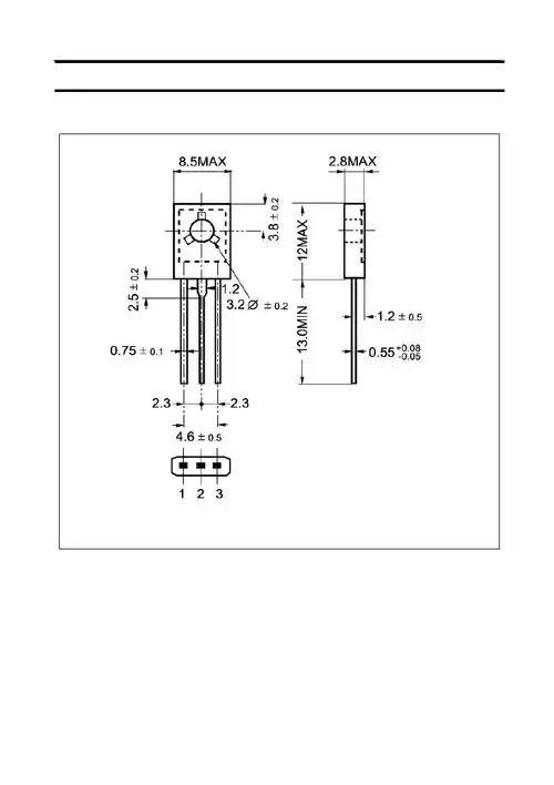
d880a
下载原图
相关图片
> d882 (electronic theatre controls, inc.
厂家直供 贴片三极管d882,to-252封装,3a电流
小夜灯台灯电蚊拍玩具三极管直插三极管电子元器件配单
arthyly 20只 2sd882 d882 3a 40v to-126 直插 sj48
原装长电三极管d882 to-252
2sd794参数datasheetpdf下载
为你推荐
行书官字
狼殿下 - 堆糖,美图壁纸兴趣社区
桃花藓症状图片 (1)_有来医生
自拍九宫格
squishable独角兽彩虹蛋糕毛绒玩具
星际战甲圣装永恒烈焰视频展示
二异氰酸甲苯酯
由基拉