图知网
搜索
首页
热门推荐
图片分类
充电款燃煤气灶脉冲点火器通用点火枪厨房煤气打火机长手柄防风电子
下载原图
相关图片
脉冲点火器 点火器批发 高压电弧点火器燃气灶脉冲点火器的原理:现代
帅康saconqa118a脉冲点火双眼灶燃气灶天然气
xmqwl适用于华帝燃气灶bh853b/a /i10024b/vzt16.2j3-0/2j3脉冲点火器
充电款燃煤气灶脉冲点火器通用点火枪厨房煤气打火机长手柄防风电子
厂家直销煤气灶电子脉冲点火器 厨房点火枪 燃气灶打火枪点火棒
燃气灶双线脉冲器 普通型双灶脉冲点火器带胶防水脉冲器
为你推荐
蔡依林披八公斤战袍 再上ugly beauty演唱会舞台新歌现场首唱
2017年之前的tfboys是怎么样子的?
私藏小众高级感363436373039女生头像
收集 点赞 评论 背影 0 4 言心99 发布到 女神 壁纸 图片评
贺峻霖时代少年团
实用技巧:复位颞下颌关节脱位
华为nova3e是全网通吗
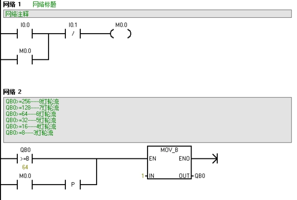
如何用plc梯形图做一个8盏灯轮流闪烁的流水灯 求:梯形图 x0为启动