图知网
搜索
首页
热门推荐
图片分类
超能汉化组游戏
下载原图
相关图片
【欧美slg/汉化】[超能汉化组]女巫猎人训练师 ver0.
【欧美slg/汉化】[超能汉化组]女巫猎人训练师 ver0.
超能汉化组安卓游戏合集
0-暂无下载-预约-超能街机
housechores全剧情流程
2超能汉化组点击下载评分:下载:77.8万大小:54.1m版本:v1.
为你推荐
迪丽热巴突然登上热搜,起因是她一袭火焰裙的造型,引发网友的热议.
赵丽颖蜀山战纪之剑侠传奇玉无心寒玉本无心奈何总深情by古韵美人宫
宝格丽四叶草项链
笑脸头像 笑脸头像
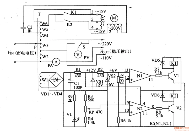
交流稳压器十三
主题墙一览
佛祖灵签 第1签:宋太祖登基 上上签
九组麻花编织花型图解 喜欢麻花编织的宝宝们赶紧收藏吧