图知网
搜索
首页
热门推荐
图片分类
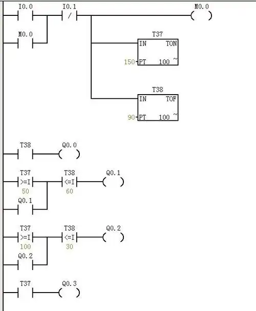
新手入门plc,原本就是这么简单!
下载原图
相关图片
请高手们帮我看下为什么我写的s7-200plc的梯形图下载到plc里却无法
三相异步电动机可逆运行能耗制动控制(s7-200系列plc)
试用plc实现该四台电动机的起停控制.
基于plc的变频调速恒压供水系统毕业论文编辑修改稿
31 使用stl指令的编程方法plc上电进入run状态,当执行第一行程序时
plc顺序控制系统程序设计探讨
为你推荐
公司logo形象墙
经典动图出处:韩国车模文世琳.
壁纸3d 9,水,太阳 3840x2160 uhd 4k 高清壁纸, 图片, 照片
2,浪琴机械表的价格是多少?:浪琴表多少钱?
欧版定制西装
北京蓝牌自卸货车福田瑞沃小金刚哪里有卖
太想念简谱-彭筝演唱-龙军/龙军词曲1
用力活着