图知网
搜索
首页
热门推荐
图片分类
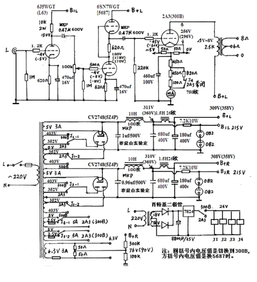
300b胆机电路图全集
下载原图
相关图片
宝尔真胆机电路图
新人做211单端胆机
无忧文档 所有分类 工程科技 电子/电路 diy 2a3和300b单端甲类胆机
6n7 2a3 5ar4胆机电路图
线路图集经典胆机图集
300b单端胆机的实作-其他信号产生器电路图-电子产品世界
为你推荐
静字十字绣线绣图片
哈士奇一脚就把我的玻璃踹成了纯天然冰裂纹无价的冰种
镇魂沈巍这是场没有谜底的谜我甘愿先守在你的影子里
mg动画-星球旋转
彩虹儿童画怎么画 彩虹简笔画画法
🦉猫头鹰头像大放送🎉
【北京华日菱】硬核"铁三角" 突破进击阈值 大众途锐底盘功能技术解析
再见了"色斑",3款好物从内到外调养皮肤,皮肤白嫩得像小姑娘