图知网
搜索
首页
热门推荐
图片分类
该可调稳压电源电路由电子调压开关电路和电源变换电路组成,如图5-14
下载原图
相关图片
可调直流稳压电源设计 电子元器件知识 lm317中文资料 桥式整流电路
简易可调稳压电源采用三端可调稳压集成电路lm317,使电压可调范围在
搭配集成电路lm337,lm317使用(稳压电路),输出一个稳定的直流电
lm317可调电压diy原理图
是金属封装的图1是采用lm350(i0=3a)或lm338(i0=5a)三端集成稳压电路
lm317直流可调电源电路原理图
为你推荐
哇哇哇 蛙趣!王俊凯接话筒的这个动作又帅到我了!
刘昊然经纪公司经纪人怎么联系热点迪丽热巴minibazaar十二月刊
日本,樱花,桥梁,树木,坡度,春季,风景桌面壁纸
单眼皮怎么画眼影?
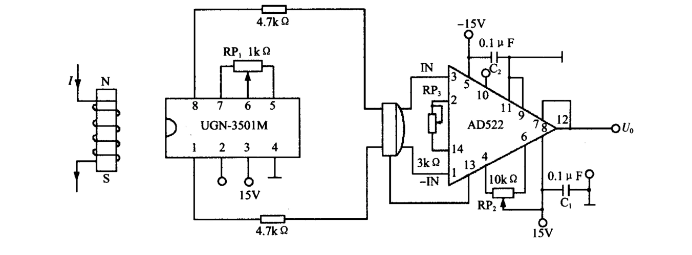
利用霍尔传感器芯片设计直流电流检测电路
【gta ol】gta6的真实画质细节?最新的qv 材质真实色调是怎样的
教你百分之百开淘宝成功审核必看
广西螺蛳粉 香的##人类快乐腊肠螺蛳粉##多家螺蛳粉品牌客服回应