图知网
搜索
首页
热门推荐
图片分类
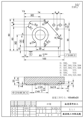
数控大赛数控铣加工中心图纸大全
下载原图
相关图片
谁有数控车床加工的工艺品图纸 普通车床都可以加工的 有的发到
数控车图纸集(中高级应用)
数控车床实践加工-葫芦
《数控铣工》四级加工图纸
数控加工工艺编程零件图15.docx
数控大赛数控铣加工中心图纸大全
为你推荐
转载假面骑士帝骑壁纸#帝骑哥 - 抖音
方脸型适合的发型短发卷发,方脸适合什么发型减龄洋气图3
他是气质独特的文艺片宠儿,是前途光明的金马最佳新人|李鸿其|文艺片
罗德的结局,恐怖冰淇淋
《唱战记》欧豪发型 圆头不羁的眼神展现个性(7)
首开寸草打造全国首个复合介护型养老设施示范项目面世丨重磅
全新三菱outlander phev概念车将亮相巴黎车展
红烧墨鱼蛋的做法_红烧墨鱼蛋怎么做_红烧墨鱼蛋的家常做法_落寞涵雨