图知网
搜索
首页
热门推荐
图片分类
文档下载 所有分类 > 常用数学函数图像大全侵权投诉 第1页 下一页
下载原图
相关图片
几个令人惊叹的函数图像
求图像很有趣的函数
你见过哪些奇奇怪怪的函数图像? - 知乎
那些神奇的函数图像
文档下载 所有分类 高等教育 研究生入学考试 > 考研数学函数图像大全
有没有函数图像比较漂亮的数学公式
为你推荐
琴
如何用一句话形容带土 #火影忍者 #文案 #情绪 #背景图 - 抖音
熊(虽然不好看)买了一些童年玩的小玩意儿看了夕阳拍了照片开心#plog
e罩杯韩国模特腴而不臃肿纤腰翘臀性感妖艳魔鬼身材走红
33万出售东风704拖拉机
皮尔卡丹轻奢高档品牌女装官方严选五一结婚妈妈婚宴礼服高贵2022年
东莞割双眼皮有医院和医生推荐吗是托勿扰
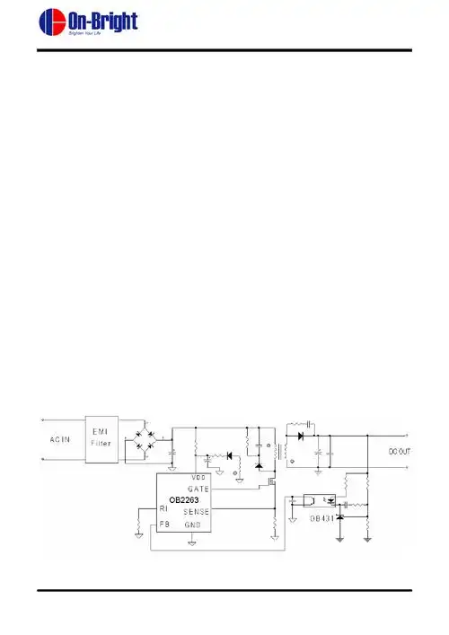
【ob2263电流模式pwm控制器频率抖动概述ob2263是一款高度集成的电流