图知网
搜索
首页
热门推荐
图片分类
mcs-51引脚及功能
下载原图
相关图片
tcrt5000 反射式光电开关 光电传感器 tcrt5000l 寻迹小车
icl7106型集成块引脚排列方式及功能说明
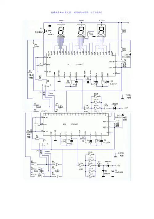
icl7107引脚图及引脚功能介绍word版
tja1050t a1050/c/3 1020t 1040t 1042 1044 1051t 1021 1057芯片
tja1042t/1j恩智浦(nxp)高速can收发器中文技术参数和引脚图
tmp36gt9z温度传感器原装规格参数及引脚图_功能_线性_电流
为你推荐
用一句话证明艾俊骚里骚气
古风帅气男生壁纸
真发假发女短发全头套女士手织递针假发套短直发波波头假发头套
性感背影黑白女头像 女生头像图片大全 -【爱个性】
迪奥哑光846哑光888丝绒999丝绒720
《弹丸论破》舞园沙耶香壁纸特辑
建筑空间丨坡屋顶
安全标志牌/标语牌/标示牌/警示牌/大铁牌 禁止抛物