图知网
搜索
首页
热门推荐
图片分类
溺水小刀
下载原图
相关图片
溺水小刀菅田将晖小松菜奈虐甜剪辑
求求求溺水小刀的壁纸
溺水小刀
《溺水小刀》某瓣评分7.6 电 - 抖音
电影溺水小刀在线免费完整观看播放全未增删版清晰1080
溺水小刀阿航夏芽永远的盛夏记忆
为你推荐
光之教堂宣布无限期关闭!
壁纸,cg,3d设计,女人
足部解剖基础骨骼
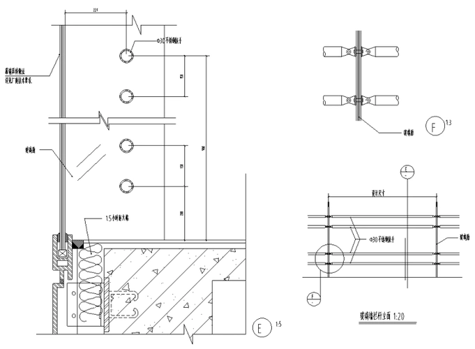
玻璃-不锈钢栏杆节点详图
包治百病的野生石蜜你上过当没
皖南川藏线之行
万圣节小鬼简笔画图片节日气氛搞起来
童床女孩公主1.5米实木粉色少女梦幻儿童床