图知网
搜索
首页
热门推荐
图片分类
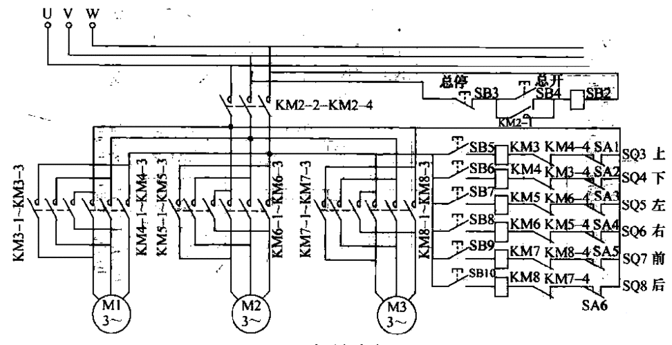
天车电路图谁有给发一份
下载原图
相关图片
分享双梁桥式起重机电器原理图资料下载
所有分类 高等教育 工学 > 桥式起重机电路原理图桥式起重机 5t桥式
10t桥式起重机典型电路
起重机电路-电路图-aet-中国科技核心期刊-最丰富的电子设计资源平台
合肥市春华起重机械有限公司qd型双梁桥式起重机电气原理图
20-5t双梁起重机电气原理图
为你推荐
旁白君的愤怒 #艾希 #游戏 #游戏视频
女性角色波普艺术风格图片素材
初夏的新疆伊犁
加大码内衣女200斤薄款背心式宽肩带网眼透气胖mm无钢圈运动文胸
万圣节房子简笔画 万圣节房子怎么画
钩针垫子附图解
z3050摇臂钻床控制线路图如图下图所示分析冷却泵电机不能正常工作
今天安阳新增确诊病例4例,均在汤阴县!