图知网
搜索
首页
热门推荐
图片分类
工程师家园 >> 电路图 元器件选择 v1,v4,v6选用1015
下载原图
相关图片
1 2010-05-12 输出电压uo可调范围30v~36v,电流2a,uc3842开.
可控硅调压电路求解
015v调压014a调流的线性可调实验电源电路
设计一个可调式直流稳压电源:设计要求:1,输出0v—15v连续可调电压.
做一个整流0--48v可调电路图需要哪些元器件
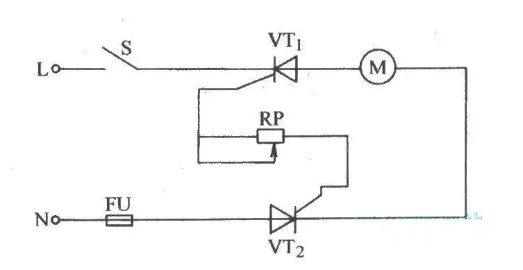
用两只普通晶闸管组装的无级调压电路
为你推荐
fgo《命运/冠位指定》精选同人高清宽屏桌面壁纸
祝绪丹封将军来啦明天八点不见不散
人间钢琴谱 王菲|但愿你以后每一个梦,不会一场空
简单干净好看头像来啦99
尘缘吉他谱 电视剧《八月桂花香》插曲六线谱
变废为宝洗衣液瓶制作花盆
春风250sr #机车图片 - 抖音
80年代女演员"刘三姐",92年因美色敛财76万元而遭枪决_程春莲_工作