图知网
搜索
首页
热门推荐
图片分类
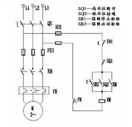
单泵水位自动控制电路图讲解供水电路图
下载原图
相关图片
该水位自动控制器电路由电源电路,水位检测控制指示电路,起动控制电路
求水塔水位控制系统原理及其图
电路图 水位控制 工业自动化电路
干簧管式液位自控电路之一(灌入式)-定时控制电路图-电子产品世界
水位控制手动/自动操作及报警电路图
水位自动控制电路
为你推荐
要求会读写拼音"t"
厂家定制 木质小格子分类杂物收纳盒物品方格正方形松木储物盒子-阿里
东鹏(dongpeng)靓彩超柔性防水涂料js型厨房卫生间阳台防水材料
运动女孩足球女孩
这客厅封阳台无敌了
胸骨柄疼是肋软骨炎吗-微医
杨志雯叶盛佳少爷与我的罗曼史先导预告
卡通红色小桶