图知网
搜索
首页
热门推荐
图片分类
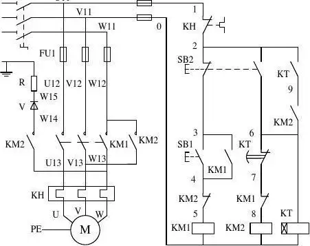
关于图示能耗制动控制电路,以下说法正确的是()?
下载原图
相关图片
能耗制动控制线路
什么是能耗制动?能耗制动的原理是什么?
能耗制动电路原理
图2-61无变压器单相半波整流单向启动能耗制动自动控制电路图
有变压器全波整流能耗制动控制线路实验
求一份电动机正反转启动能耗制动的实操接线图?
为你推荐
[无损音质]周杰伦.2006专辑 《依然范特西》 【wav/24bit/48khz】
115854515
鞠婧祎生日写真
我没生气 - 小仙女权律二表情包_权律二表情
我的腿上长这么多汗毛是什么原因导致的?
靳东老婆曝光,原来是赫赫有名的她
【4周达】absent: how to heal from emotionally toxic parents - a
欣赏李晓明工笔荷花37幅灵动高雅艳而不俗越看越喜欢