图知网
搜索
首页
热门推荐
图片分类
【中华古风】《元好问诗词》十首(一)
下载原图
相关图片
女王与鞭子
中国风古装3d古风美女长鞭 舞动
古装美女长鞭子
客单长鞭
红鞭子
女-拿鞭子-黑衣_540_1
为你推荐
霸气头像微信浪漫头像微信美女头像微信气质唯美头像微信萌萌哒头像
有真功夫的侠女汉服写真
陈冠希高清头像
2021年中国连花清瘟胶囊行业现状分析连花清瘟纳入新冠治疗方案图
襄嫔那么聪明为什么一而再再而三的向皇上进言杀了华妃?
腰间盘突出椎间孔镜手术四例
青龙山门口的金丝楠树
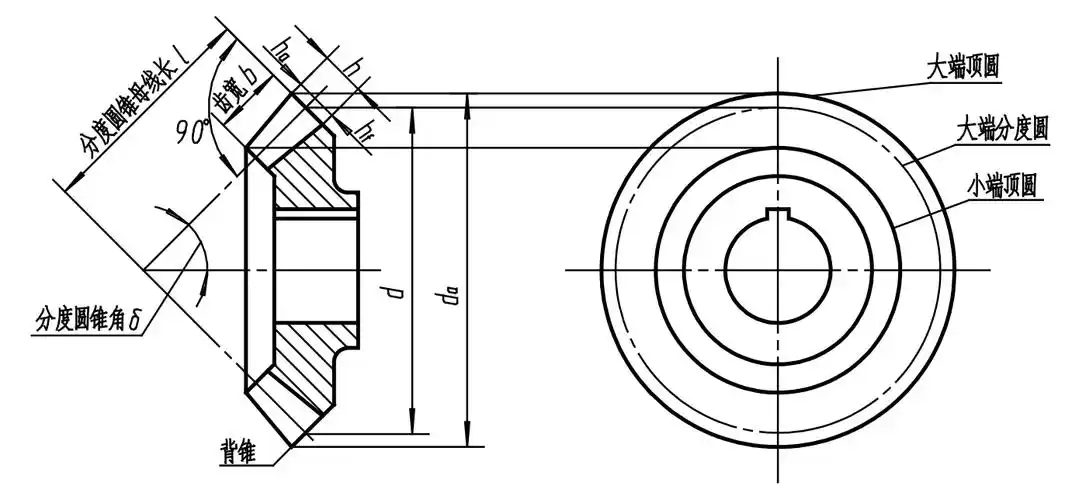
齿轮的几何要素与规定画法 - 文稿网